| Voir le sujet précédent :: Voir le sujet suivant |
| Auteur |
Message |
fifou76620 307 Addicted
Voir sa Présentation
Voir son Album Voir toutes ses Images
Inscrit le: 16 Sep 2011 Messages : 70
|
Posté le: Dim 23 Oct 11 à 20:44 Sujet du message: Eclairage ODB |
|
|
|
bonjour j'ai chercher mais pas trouver voila j'ai un probleme au niveaux de l'eclairage de bord j'ai regarder au niveau des lampes et elles sont bonne j'ai essayer un autre compteur et sa ne marche toujour pas, en revanche on vois que l'ecrans marche quand il y a du soleil on vois les ecriture a travers je ne sais pas si je suis claire dans mes explication si quelqu'un a une solution je suis preneur
|
|
|
|
|
| Revenir en haut de page |
|
 |
Créez un compte pour participer au forum.
|
sje95 Curieux
1.6HDi 90ch
Inscrit le: 23 Oct 2011 Messages : 15
|
Posté le: Dim 23 Oct 11 à 21:19 Sujet du message: |
|
|
Bonsoir,
j'ai le pb une fois, qqles secondes avec un msg disant qu'il passait en mode eco de puissance.
Essaie de debrancher ta batterie pour faire un raz de ton ordi de bord.
|
|
|
_________________ D'où vient le vent ?
|
|
| Revenir en haut de page |
|
 |
fifou76620 307 Addicted
Voir sa Présentation
Voir son Album Voir toutes ses Images
Inscrit le: 16 Sep 2011 Messages : 70
|
Posté le: Dim 23 Oct 11 à 21:21 Sujet du message: |
|
|
|
ok je vais testé demain matin et voir si sa marche
|
|
|
|
|
| Revenir en haut de page |
|
 |
fifou76620 307 Addicted
Voir sa Présentation
Voir son Album Voir toutes ses Images
Inscrit le: 16 Sep 2011 Messages : 70
|
Posté le: Dim 23 Oct 11 à 21:30 Sujet du message: |
|
|
|
par contre moi j'avais pas eu de message dessu le matin je me suis garer pour allé au boulot tout fonctionner et le soir pouf plus rien j'ai deja eu des message economie d'energie ou la plus des fonction vitre elec autoradio ne fonctionne plus mais la bizarre
|
|
|
|
|
| Revenir en haut de page |
|
 |
ddb19 307 de Bronze
Voir sa Présentation
Voir son Album Voir toutes ses Images
Inscrit le: 13 Nov 2007 Messages : 283
|
Posté le: Lun 24 Oct 11 à 09:03 Sujet du message: |
|
|
|
remplace tes ampoules, ça coute à peine 2 € les deux, tu seras fixé.
|
|
|
|
|
| Revenir en haut de page |
|
 |
zamaz 307 de Diamant
Inscrit le: 30 Avr 2009 Messages : 17018 Localisation : France
|
Posté le: Lun 24 Oct 11 à 09:38 Sujet du message: |
|
|
| fifou76620 a écrit : | | par contre moi j'avais pas eu de message dessu le matin je me suis garer pour allé au boulot tout fonctionner et le soir pouf plus rien j'ai deja eu des message economie d'energie ou la plus des fonction vitre elec autoradio ne fonctionne plus mais la bizarre |
slt
changes ta batterie peut être ou contrôles-la, avec les premiers froid elle peut donner des signes de faiblesse?
|
|
|
_________________ Si la personne ne donne pas de suite à mes réponses !je considère que le sujet est clos !Pas de respect donc plus de réponse!
A bon entendeur !
|
|
| Revenir en haut de page |
|
 |
fifou76620 307 Addicted
Voir sa Présentation
Voir son Album Voir toutes ses Images
Inscrit le: 16 Sep 2011 Messages : 70
|
Posté le: Lun 24 Oct 11 à 16:06 Sujet du message: |
|
|
|
bonsoir alors j'ai acheter des nouvelles ampoules rien de neuf la baterie est neuve donc pas de souci de ce coté je ne comprend pas d'ou sa peu venir les fusible sont bon
|
|
|
|
|
| Revenir en haut de page |
|
 |
307 LAFOREVER 16V Modérateur
Inscrit le: 04 Fév 2010 Messages : 19444
|
|
| Revenir en haut de page |
|
 |
zamaz 307 de Diamant
Inscrit le: 30 Avr 2009 Messages : 17018 Localisation : France
|
|
| Revenir en haut de page |
|
 |
fifou76620 307 Addicted
Voir sa Présentation
Voir son Album Voir toutes ses Images
Inscrit le: 16 Sep 2011 Messages : 70
|
|
| Revenir en haut de page |
|
 |
nacral 307 de Diamant
1.4e 75ch
Inscrit le: 10 Juin 2010 Messages : 3986 Localisation : 78 et 83
|
Posté le: Lun 24 Oct 11 à 18:22 Sujet du message: |
|
|
Une photo de ce que tu voit peut être?
Elle est de quelle année ta 307?
|
|
|
|
|
| Revenir en haut de page |
|
 |
fifou76620 307 Addicted
Voir sa Présentation
Voir son Album Voir toutes ses Images
Inscrit le: 16 Sep 2011 Messages : 70
|
Posté le: Lun 24 Oct 11 à 19:10 Sujet du message: |
|
|
|
de 2002 je prend toute les solution sinon je ferai un eclairage maison
|
|
|
|
|
| Revenir en haut de page |
|
 |
nacral 307 de Diamant
1.4e 75ch
Inscrit le: 10 Juin 2010 Messages : 3986 Localisation : 78 et 83
|
Posté le: Lun 24 Oct 11 à 19:41 Sujet du message: |
|
|
|
T'as un multimètre chez toi?
|
|
|
|
|
| Revenir en haut de page |
|
 |
fifou76620 307 Addicted
Voir sa Présentation
Voir son Album Voir toutes ses Images
Inscrit le: 16 Sep 2011 Messages : 70
|
Posté le: Lun 24 Oct 11 à 19:45 Sujet du message: |
|
|
|
nan mais je peu en avoir un au boulot je suis electricien
|
|
|
|
|
| Revenir en haut de page |
|
 |
nacral 307 de Diamant
1.4e 75ch
Inscrit le: 10 Juin 2010 Messages : 3986 Localisation : 78 et 83
|
Posté le: Lun 24 Oct 11 à 19:58 Sujet du message: |
|
|
Ok c'est cool sa. Je vais peut être pas plus te donné d'idée que ce que tu as déjà surement fait alors.
Tu peut prendre des mesures de tensions et voir si certaines paressent louche, si besoin je peu t'en faire sur une T5 si tu as besoin de comparer des valeurs.
Tes ampoule tu les as test une par une avec quoi? Une pile?
C'est toutes les mêmes? De mémoire il y en as trois non sur T5?
Je dit sa par ce qu'il m'est arrivé un truck chelou sur T5, sur les clignos avec deux ampoules différentes sa faisait des beugs, j'en ais mis deux identiques, même pas neuve puisque avant sur ma T6, et depuis sa fonctionne.
|
|
|
|
|
| Revenir en haut de page |
|
 |
fifou76620 307 Addicted
Voir sa Présentation
Voir son Album Voir toutes ses Images
Inscrit le: 16 Sep 2011 Messages : 70
|
Posté le: Lun 24 Oct 11 à 20:02 Sujet du message: |
|
|
|
ba avant j'avais une lampe de grillé sa marché quand meme la plus rien j'en ai acheter 2 et rien avec les neuve aprés sur la prises je ne sais meme pas ou commencer les teste y a de memoire 8 ou 10 fiche
|
|
|
|
|
| Revenir en haut de page |
|
 |
nacral 307 de Diamant
1.4e 75ch
Inscrit le: 10 Juin 2010 Messages : 3986 Localisation : 78 et 83
|
Posté le: Lun 24 Oct 11 à 20:20 Sujet du message: |
|
|
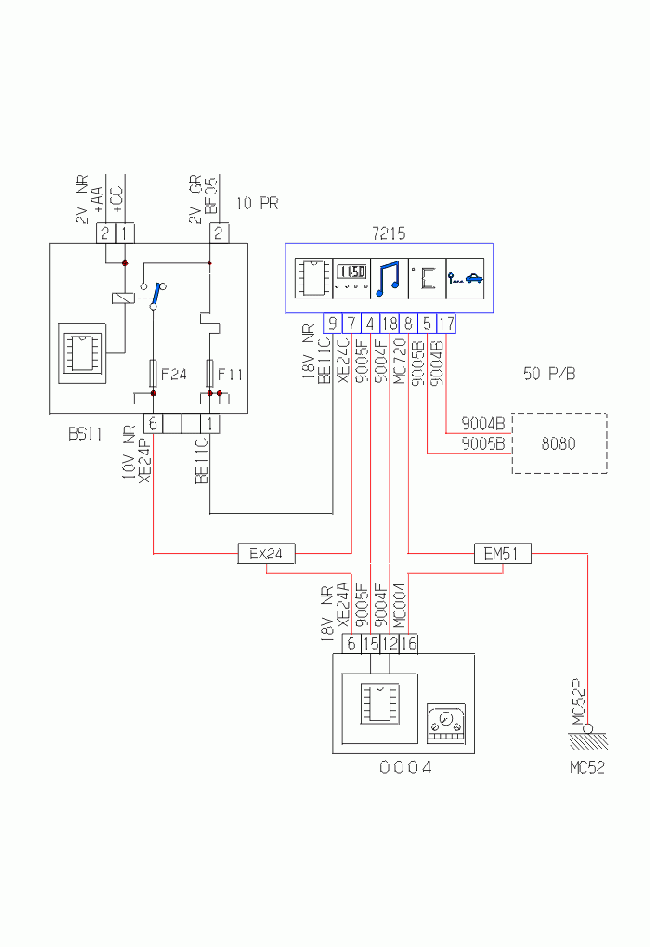
Pour moi je pense que pin 9 ou 7 sert à l'éclairage.
Pin 8 masse plus qu'a test.
Mais surement que 3 ampoules neuve sa le ferai.
|
|
|
|
|
| Revenir en haut de page |
|
 |
Min Curieux
2.0HDi 90ch
Voir sa Présentation
Inscrit le: 22 Avr 2010 Messages : 5 Localisation : Alger
|
Posté le: Lun 24 Oct 11 à 23:28 Sujet du message: |
|
|
|
Bonsoir, j'ai déjà eu ce problème , et la solution c'est de changer un composant électronique ;demain j’essayerai de mettre des tof de cette pièce!!
|
|
|
|
|
| Revenir en haut de page |
|
 |
Min Curieux
2.0HDi 90ch
Voir sa Présentation
Inscrit le: 22 Avr 2010 Messages : 5 Localisation : Alger
|
|
| Revenir en haut de page |
|
 |
nacral 307 de Diamant
1.4e 75ch
Inscrit le: 10 Juin 2010 Messages : 3986 Localisation : 78 et 83
|
Posté le: Mar 25 Oct 11 à 20:51 Sujet du message: |
|
|
C'est un régulateur sa.
|
|
|
|
|
| Revenir en haut de page |
|
 |
fifou76620 307 Addicted
Voir sa Présentation
Voir son Album Voir toutes ses Images
Inscrit le: 16 Sep 2011 Messages : 70
|
Posté le: Mer 26 Oct 11 à 15:45 Sujet du message: |
|
|
|
alors j'ai testé j'ai pas du jus sur pin 9 donc sa vient avant la fiche j'ai pu testé ce soir sur une autre 307 d'un ami et mon compteur fonctionne donc je pense faire une alimentation exterieur via l'allume cigare et degager les 3 ampoule contre une barre a led
|
|
|
|
|
| Revenir en haut de page |
|
 |
fifou76620 307 Addicted
Voir sa Présentation
Voir son Album Voir toutes ses Images
Inscrit le: 16 Sep 2011 Messages : 70
|
|
| Revenir en haut de page |
|
 |
nacral 307 de Diamant
1.4e 75ch
Inscrit le: 10 Juin 2010 Messages : 3986 Localisation : 78 et 83
|
Posté le: Mer 26 Oct 11 à 22:21 Sujet du message: |
|
|
Question con mais tu as test le fusible ou le pin 9 est connecter?
Sinon ouai bonne idée pour dépanner.
Mais ce serai plus cool de comprendre.
|
|
|
|
|
| Revenir en haut de page |
|
 |
fifou76620 307 Addicted
Voir sa Présentation
Voir son Album Voir toutes ses Images
Inscrit le: 16 Sep 2011 Messages : 70
|
Posté le: Jeu 27 Oct 11 à 11:36 Sujet du message: |
|
|
|
Tout les fusible sont bon j'ai vérifier hier après montage éclairage blancc plafonnier d'ailleur celui boîte à gant fais ssauter un fusible mais il sont tous bon un fils à du ce débrancher avec les vibration
|
|
|
_________________ 307 xs, 1.6 16v, vitre teinté, jantes Melbourne 17", lexus, Xenons 8000k, pack look, lave phare, sub, autoradio JVC double Din
|
|
| Revenir en haut de page |
|
 |
fifou76620 307 Addicted
Voir sa Présentation
Voir son Album Voir toutes ses Images
Inscrit le: 16 Sep 2011 Messages : 70
|
Posté le: Jeu 27 Oct 11 à 12:59 Sujet du message: |
|
|
|
Alors j'ai du jus dans tout les fils sauf la masse mais au niveau de la prises pas de jus donc dois y avoir un problème au niveau de la prise vu que tout est certi on peu pas la démonter je regarderai plus tard si je coupe tout les fils pour changer la prise ou si elle est démontable la l'écran fonctionne pour l'instant
|
|
|
_________________ 307 xs, 1.6 16v, vitre teinté, jantes Melbourne 17", lexus, Xenons 8000k, pack look, lave phare, sub, autoradio JVC double Din
|
|
| Revenir en haut de page |
|
 |
seb57 307 Hors Catégorie
Voir sa Présentation
Voir son Album Voir toutes ses Images
Inscrit le: 11 Nov 2010 Messages : 1743 Localisation : Metz 57
|
Posté le: Jeu 27 Oct 11 à 15:10 Sujet du message: |
|
|
|
Ou tu peux aussi repiquer dans la boite à fusible ... Sa t'évitera de te faire chier à démonter toute la console central ...
|
|
_________________ Peugeot 307 2.0L HDI 90 Année 2001 Phase 1 GRIS SIDOBRE / Intérieur Alu

|
|
| Revenir en haut de page |
|
 |
fifou76620 307 Addicted
Voir sa Présentation
Voir son Album Voir toutes ses Images
Inscrit le: 16 Sep 2011 Messages : 70
|
Posté le: Lun 31 Oct 11 à 16:54 Sujet du message: |
|
|
|
Je n'y connais rien en électricité dans les voiture trop de fils
|
|
|
_________________ 307 xs, 1.6 16v, vitre teinté, jantes Melbourne 17", lexus, Xenons 8000k, pack look, lave phare, sub, autoradio JVC double Din
|
|
| Revenir en haut de page |
|
 |
|