Peugeot 307 - Voir le sujet - Boitier radar de recul pour 307 308 - Forum Peugeot 307 - 307CC - 307SW
Colocation
 
Consommation 307    Couleurs 307    Prix et Ref. des pièces    Les Jantes    Glossaire    Liens utiles
  F307 : Le Forum de référence de la Peugeot 307

Ajouter aux Favoris
   Flux RSS
Forum Peugeot 307 - 307CC - 307SW
Tout sur les très belles Peugeot 307, 307CC & 307SW
 
  Aide  Rechercher  Charte  Albums  Fichiers  Groupes  Chat S'enregistrer   
  Mes sujets favoris    Profil    Se connecter pour vérifier ses messages privés    Connexion 

Boitier radar de recul pour 307 308
Aller à la page 1, 2, 3, 4  Suivante
 
Poster un nouveau sujet   Répondre au sujet    » Accueil du Forum Electricité, Electronique & Eclairage
Voir le sujet précédent :: Voir le sujet suivant  
Auteur Message
SPITIRE13
307 Hors Catégorie




Inscrit le: 16 Aoû 2006
Messages : 1891
Localisation : PACA

MessagePosté le: Mer 07 Mar 12 à 14:14    Sujet du message: Boitier radar de recul pour 307 308 Répondre en citant

Salut
Je recherche le boitier électronique pour monter l' aide au stationnement AVT et AR comme en 1 er monte sur une 307 phase 2 (T6) .
un boitier de 308 doit aussi faire l'affaire
Merci pour votre aide
CDT

_________________
307 SW OXYGO HDI 110 . RT5 BY ME .
308 PURTECH 1.2 130ch BTM6 GTLINE BLACKPACK


Edité par SPITIRE13 le Mer 07 Mar 12 à 19:47
Revenir en haut de page
Voir le profil de l'utilisateur Envoyer un message privé Envoyer un e-mail

Créez un compte pour participer au forum.
jn-trucks
307 Addicted




Inscrit le: 03 Aoû 2008
Messages : 75
Localisation : belgique

MessagePosté le: Mer 07 Mar 12 à 17:20    Sujet du message: Répondre en citant

bonjour, j'en ai un de mon c4 picasso, que j'ai remplacé par le modéle qui fait av+ar

je pense que c'est compatible, c'est du can

fais moi une offre
Revenir en haut de page
Voir le profil de l'utilisateur Envoyer un message privé
SPITIRE13
307 Hors Catégorie




Inscrit le: 16 Aoû 2006
Messages : 1891
Localisation : PACA

MessagePosté le: Mer 07 Mar 12 à 19:46    Sujet du message: Répondre en citant

Salut et merci pour ton offre.
j'ai oublié de préciser que c'est le modèle AVT et AR que je recherche c'est pour cela que j'ai précisé 308 .J'ai déjà les 2 faisceaux de radars .

Donne moi quand même ton prix et si tu as des photos avec les connecteurs .
cdt

_________________
307 SW OXYGO HDI 110 . RT5 BY ME .
308 PURTECH 1.2 130ch BTM6 GTLINE BLACKPACK
Revenir en haut de page
Voir le profil de l'utilisateur Envoyer un message privé Envoyer un e-mail
SelfEsteem
307 de Diamant



Voir sa Présentation
Voir son Album
Voir toutes ses Images


Inscrit le: 05 Nov 2009
Messages : 4956
Localisation : Moselle -> Metz

MessagePosté le: Jeu 08 Mar 12 à 09:17    Sujet du message: Répondre en citant

Pour 307, il n'y en a pas qui font avant + arrière.
Tu compte faire la modif' sur ta 307?

_________________
307 Féline 2.0i 16V 180ch, 3 portes, Gris Manitoba, filtre à air Green dans admission dynamique, RT5 by me, HPs avant JBL d'origine 607, HPs arrière Focal Acces 2 voix, Clés 3 boutons.
Revenir en haut de page
Voir le profil de l'utilisateur Envoyer un message privé
SPITIRE13
307 Hors Catégorie




Inscrit le: 16 Aoû 2006
Messages : 1891
Localisation : PACA

MessagePosté le: Jeu 08 Mar 12 à 09:29    Sujet du message: Répondre en citant

Salut
J'ai eu la joie de me faire emboutir ma titine à l’arrêt .Il faut changer le pare-choc AR , j'ai donc décidé de monter les radars 1er monte.
J'avais acheté 2 faisceaux avec les 8 radars il y a 6 mois et je n'avais pas eu le temps de les monter .
Sur 307 les radars AVT ne sont pas d'origine , c'est pour cela que j'ai noté dans l'annonce 308 .
Par-contre sur le PPS il y a l'option radar AR et l'option AV/AR.
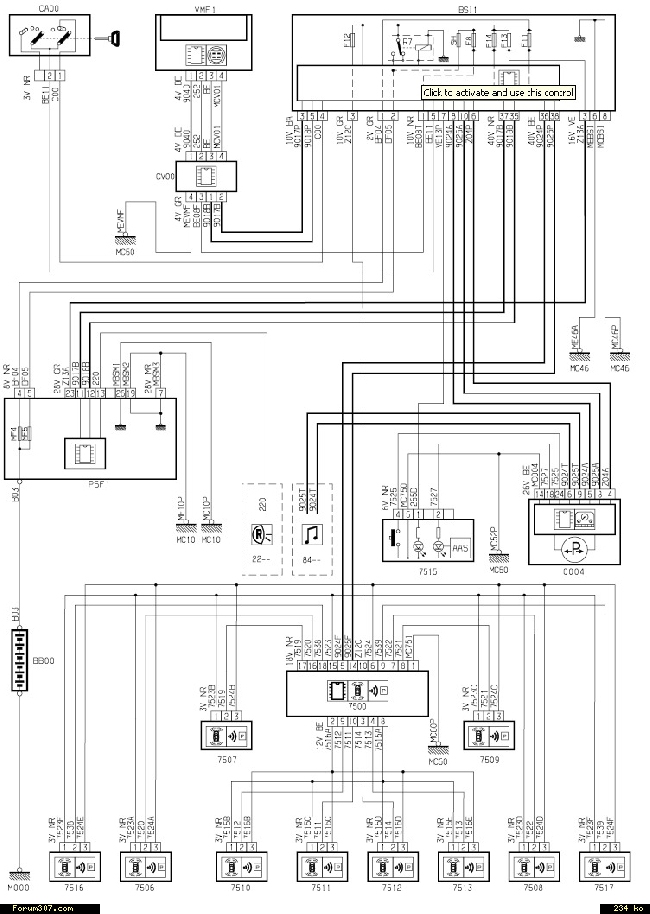
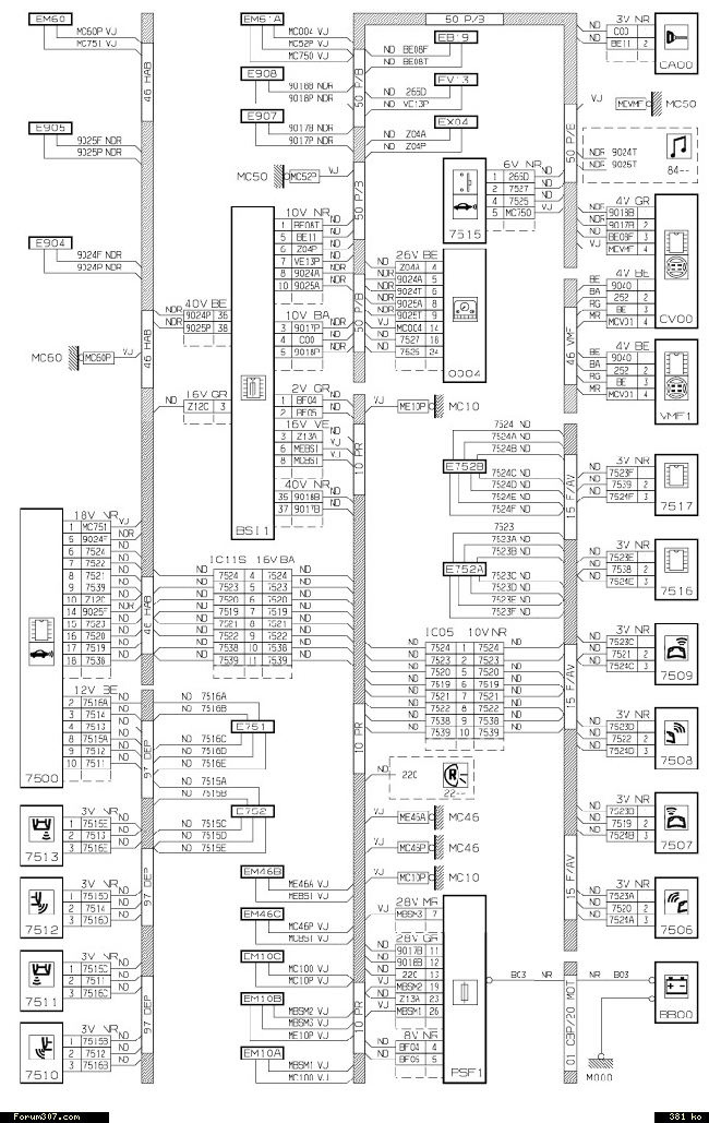
J'ai un boitier de 407 mais il ne correspond pas au schéma que m'a gentiment donner CHOKMAN voir sujet :
http://www.forum307.com/viewtopic.php?t=48108&highlight=recul

cdt

_________________
307 SW OXYGO HDI 110 . RT5 BY ME .
308 PURTECH 1.2 130ch BTM6 GTLINE BLACKPACK
Revenir en haut de page
Voir le profil de l'utilisateur Envoyer un message privé Envoyer un e-mail
yvesdm3000
307 d'Argent



Voir sa Présentation

Inscrit le: 15 Mai 2011
Messages : 374
Localisation : Belgique (00)

MessagePosté le: Dim 01 Avr 12 à 08:05    Sujet du message: Répondre en citant

T'as pu mettre les capteur AV/AR et que cela marche sur 307 ?

Yves

_________________
307 OXYGO HDi 1.6 break 92ch de Nov. 2006 converti en camionette. Ajouté cruisecontrol+limiteur, KML + Ecran type C, 4 HP JBL + 2 tweeter JBL
1007 Sporty Pack HDi 1.6 110ch de Jan. 2008, option JBL
1007 Sporty HDi 1.6 110ch de Feb. 2009. Ajouté: cruise control + limiteur, option JBL
Le monde du partage devra remplacer le partage du monde
Revenir en haut de page
Voir le profil de l'utilisateur Envoyer un message privé
SPITIRE13
307 Hors Catégorie




Inscrit le: 16 Aoû 2006
Messages : 1891
Localisation : PACA

MessagePosté le: Dim 01 Avr 12 à 08:32    Sujet du message: Répondre en citant

Salut
non , la titine rentre demain en carrosserie
ils doivent me changer le parechoc et j'en profite pour faire peindre mes radars

Pour la petite histoire les 4 trous valent 10€ , cela fait chère le trou , j'ai hésité à acheter des trous ailleurs Super content :D Super content :D Super content :D
J'ai acheté un boitier de C4 à un membre du forum mais je n'ai pas le schéma de câblage.
CDT

_________________
307 SW OXYGO HDI 110 . RT5 BY ME .
308 PURTECH 1.2 130ch BTM6 GTLINE BLACKPACK
Revenir en haut de page
Voir le profil de l'utilisateur Envoyer un message privé Envoyer un e-mail
SelfEsteem
307 de Diamant



Voir sa Présentation
Voir son Album
Voir toutes ses Images


Inscrit le: 05 Nov 2009
Messages : 4956
Localisation : Moselle -> Metz

MessagePosté le: Dim 01 Avr 12 à 08:48    Sujet du message: Répondre en citant

Je serrais intéressé pas un bon petit Tuto pour cette modif'!

Pour les capteurs avant, tu as déja choisis les emplacement sur le PC?

_________________
307 Féline 2.0i 16V 180ch, 3 portes, Gris Manitoba, filtre à air Green dans admission dynamique, RT5 by me, HPs avant JBL d'origine 607, HPs arrière Focal Acces 2 voix, Clés 3 boutons.
Revenir en haut de page
Voir le profil de l'utilisateur Envoyer un message privé
SPITIRE13
307 Hors Catégorie




Inscrit le: 16 Aoû 2006
Messages : 1891
Localisation : PACA

MessagePosté le: Dim 01 Avr 12 à 08:57    Sujet du message: Répondre en citant

Salut
non mais je vais me servir des côtes du PC de 308 car sur 307 cela n'existe pas


cdt

_________________
307 SW OXYGO HDI 110 . RT5 BY ME .
308 PURTECH 1.2 130ch BTM6 GTLINE BLACKPACK
Revenir en haut de page
Voir le profil de l'utilisateur Envoyer un message privé Envoyer un e-mail
SelfEsteem
307 de Diamant



Voir sa Présentation
Voir son Album
Voir toutes ses Images


Inscrit le: 05 Nov 2009
Messages : 4956
Localisation : Moselle -> Metz

MessagePosté le: Dim 01 Avr 12 à 16:39    Sujet du message: Répondre en citant

SPITIRE13 a écrit :
Salut
non mais je vais me servir des côtes du PC de 308 car sur 307 cela n'existe pas


cdt

Je sais bien, c'est pour ca que je te demande si tu as déjà "choisis" les emplacements...
Sur C4 il y en a aussi. Wink

_________________
307 Féline 2.0i 16V 180ch, 3 portes, Gris Manitoba, filtre à air Green dans admission dynamique, RT5 by me, HPs avant JBL d'origine 607, HPs arrière Focal Acces 2 voix, Clés 3 boutons.
Revenir en haut de page
Voir le profil de l'utilisateur Envoyer un message privé
SPITIRE13
307 Hors Catégorie




Inscrit le: 16 Aoû 2006
Messages : 1891
Localisation : PACA

MessagePosté le: Dim 01 Avr 12 à 17:56    Sujet du message: Répondre en citant

Salut
aurais tu le schéma de câblage de C4 ?
Car le boitier que j'ai acheté était su C4 et je pense qu'il ne doit pas trop avoir de différence entre C4 et 307 Wink
CDT

_________________
307 SW OXYGO HDI 110 . RT5 BY ME .
308 PURTECH 1.2 130ch BTM6 GTLINE BLACKPACK
Revenir en haut de page
Voir le profil de l'utilisateur Envoyer un message privé Envoyer un e-mail
SelfEsteem
307 de Diamant



Voir sa Présentation
Voir son Album
Voir toutes ses Images


Inscrit le: 05 Nov 2009
Messages : 4956
Localisation : Moselle -> Metz

MessagePosté le: Dim 01 Avr 12 à 18:14    Sujet du message: Répondre en citant

SPITIRE13 a écrit :
Salut
aurais tu le schéma de câblage de C4 ?
Car le boitier que j'ai acheté était su C4 et je pense qu'il ne doit pas trop avoir de différence entre C4 et 307 Wink
CDT

Justement, la plateforme 307 et C4 se ressemblent plus qu'avec la 308.
Par contre, pour les schéma; malheureusement non... Confused

_________________
307 Féline 2.0i 16V 180ch, 3 portes, Gris Manitoba, filtre à air Green dans admission dynamique, RT5 by me, HPs avant JBL d'origine 607, HPs arrière Focal Acces 2 voix, Clés 3 boutons.
Revenir en haut de page
Voir le profil de l'utilisateur Envoyer un message privé
yvesdm3000
307 d'Argent



Voir sa Présentation

Inscrit le: 15 Mai 2011
Messages : 374
Localisation : Belgique (00)

MessagePosté le: Dim 01 Avr 12 à 18:34    Sujet du message: Répondre en citant

Je vais voir demain dans la sedre citroen pour le schema.

-Yves

_________________
307 OXYGO HDi 1.6 break 92ch de Nov. 2006 converti en camionette. Ajouté cruisecontrol+limiteur, KML + Ecran type C, 4 HP JBL + 2 tweeter JBL
1007 Sporty Pack HDi 1.6 110ch de Jan. 2008, option JBL
1007 Sporty HDi 1.6 110ch de Feb. 2009. Ajouté: cruise control + limiteur, option JBL
Le monde du partage devra remplacer le partage du monde
Revenir en haut de page
Voir le profil de l'utilisateur Envoyer un message privé
SPITIRE13
307 Hors Catégorie




Inscrit le: 16 Aoû 2006
Messages : 1891
Localisation : PACA

MessagePosté le: Dim 01 Avr 12 à 18:38    Sujet du message: Répondre en citant

yvesdm3000 a écrit :
Je vais voir demain dans la sedre citroen pour le schema.

-Yves


Salut
Un grand MERCI Super content :D

_________________
307 SW OXYGO HDI 110 . RT5 BY ME .
308 PURTECH 1.2 130ch BTM6 GTLINE BLACKPACK
Revenir en haut de page
Voir le profil de l'utilisateur Envoyer un message privé Envoyer un e-mail
yvesdm3000
307 d'Argent



Voir sa Présentation

Inscrit le: 15 Mai 2011
Messages : 374
Localisation : Belgique (00)

MessagePosté le: Dim 01 Avr 12 à 19:08    Sujet du message: Répondre en citant

Tu sais me dire le numero de rechange? Cela peut aider...

_________________
307 OXYGO HDi 1.6 break 92ch de Nov. 2006 converti en camionette. Ajouté cruisecontrol+limiteur, KML + Ecran type C, 4 HP JBL + 2 tweeter JBL
1007 Sporty Pack HDi 1.6 110ch de Jan. 2008, option JBL
1007 Sporty HDi 1.6 110ch de Feb. 2009. Ajouté: cruise control + limiteur, option JBL
Le monde du partage devra remplacer le partage du monde
Revenir en haut de page
Voir le profil de l'utilisateur Envoyer un message privé
SelfEsteem
307 de Diamant



Voir sa Présentation
Voir son Album
Voir toutes ses Images


Inscrit le: 05 Nov 2009
Messages : 4956
Localisation : Moselle -> Metz

MessagePosté le: Lun 02 Avr 12 à 16:56    Sujet du message: Répondre en citant

yvesdm3000 a écrit :
Tu sais me dire le numero de rechange? Cela peut aider...

Tu parles du VIN?

Moi je peux avoir un VIN de C4 avec ces radars avant, mais pas avant une semaine.

_________________
307 Féline 2.0i 16V 180ch, 3 portes, Gris Manitoba, filtre à air Green dans admission dynamique, RT5 by me, HPs avant JBL d'origine 607, HPs arrière Focal Acces 2 voix, Clés 3 boutons.
Revenir en haut de page
Voir le profil de l'utilisateur Envoyer un message privé
yvesdm3000
307 d'Argent



Voir sa Présentation

Inscrit le: 15 Mai 2011
Messages : 374
Localisation : Belgique (00)

MessagePosté le: Jeu 05 Avr 12 à 10:57    Sujet du message: Répondre en citant

Bon voila, j'espere que c'est le bon.






-Yves

_________________
307 OXYGO HDi 1.6 break 92ch de Nov. 2006 converti en camionette. Ajouté cruisecontrol+limiteur, KML + Ecran type C, 4 HP JBL + 2 tweeter JBL
1007 Sporty Pack HDi 1.6 110ch de Jan. 2008, option JBL
1007 Sporty HDi 1.6 110ch de Feb. 2009. Ajouté: cruise control + limiteur, option JBL
Le monde du partage devra remplacer le partage du monde
Revenir en haut de page
Voir le profil de l'utilisateur Envoyer un message privé
SelfEsteem
307 de Diamant



Voir sa Présentation
Voir son Album
Voir toutes ses Images


Inscrit le: 05 Nov 2009
Messages : 4956
Localisation : Moselle -> Metz

MessagePosté le: Ven 06 Avr 12 à 18:22    Sujet du message: Répondre en citant

A l'avant y 'a 6 capteurs!? :O

_________________
307 Féline 2.0i 16V 180ch, 3 portes, Gris Manitoba, filtre à air Green dans admission dynamique, RT5 by me, HPs avant JBL d'origine 607, HPs arrière Focal Acces 2 voix, Clés 3 boutons.
Revenir en haut de page
Voir le profil de l'utilisateur Envoyer un message privé
yvesdm3000
307 d'Argent



Voir sa Présentation

Inscrit le: 15 Mai 2011
Messages : 374
Localisation : Belgique (00)

MessagePosté le: Sam 07 Avr 12 à 05:34    Sujet du message: Répondre en citant

Ah, j'avais pas encore vu....
Le 7516 c'est plutot pour detecter les coté's?

Yves

_________________
307 OXYGO HDi 1.6 break 92ch de Nov. 2006 converti en camionette. Ajouté cruisecontrol+limiteur, KML + Ecran type C, 4 HP JBL + 2 tweeter JBL
1007 Sporty Pack HDi 1.6 110ch de Jan. 2008, option JBL
1007 Sporty HDi 1.6 110ch de Feb. 2009. Ajouté: cruise control + limiteur, option JBL
Le monde du partage devra remplacer le partage du monde
Revenir en haut de page
Voir le profil de l'utilisateur Envoyer un message privé
SelfEsteem
307 de Diamant



Voir sa Présentation
Voir son Album
Voir toutes ses Images


Inscrit le: 05 Nov 2009
Messages : 4956
Localisation : Moselle -> Metz

MessagePosté le: Sam 07 Avr 12 à 11:36    Sujet du message: Répondre en citant

yvesdm3000 a écrit :
Ah, j'avais pas encore vu....
Le 7516 c'est plutot pour detecter les coté's?

Yves

Oui, le 7516 et 7517 doivent etre pour les cotés; mais je sais pas s'il est possible de ne brancher que les 4 de l'avant; cela risque de poser problème au niveau du boitier s'il ne détecte pas les deux autres...
SPITIRE13, qu'en pense tu?

_________________
307 Féline 2.0i 16V 180ch, 3 portes, Gris Manitoba, filtre à air Green dans admission dynamique, RT5 by me, HPs avant JBL d'origine 607, HPs arrière Focal Acces 2 voix, Clés 3 boutons.
Revenir en haut de page
Voir le profil de l'utilisateur Envoyer un message privé
SelfEsteem
307 de Diamant



Voir sa Présentation
Voir son Album
Voir toutes ses Images


Inscrit le: 05 Nov 2009
Messages : 4956
Localisation : Moselle -> Metz

MessagePosté le: Dim 08 Avr 12 à 09:27    Sujet du message: Répondre en citant

Voila, après quelques recherches, il se trouve que le faisceau est disponible au détail, mais entre la ref 6568.86 et la 6582.RX, y'a quasiment 100€ de différence...

_________________
307 Féline 2.0i 16V 180ch, 3 portes, Gris Manitoba, filtre à air Green dans admission dynamique, RT5 by me, HPs avant JBL d'origine 607, HPs arrière Focal Acces 2 voix, Clés 3 boutons.
Revenir en haut de page
Voir le profil de l'utilisateur Envoyer un message privé
yvesdm3000
307 d'Argent



Voir sa Présentation

Inscrit le: 15 Mai 2011
Messages : 374
Localisation : Belgique (00)

MessagePosté le: Dim 08 Avr 12 à 10:07    Sujet du message: Répondre en citant

Ben j'attends les autres et si le calcuateur est bien compatible avec la 307 je vais l'installer aussi mais je vais construire le faisceau moi-meme... Il y a trop de risque qu'il est trop court ou bien on ne peut pas passer partout etc...

-Yves

_________________
307 OXYGO HDi 1.6 break 92ch de Nov. 2006 converti en camionette. Ajouté cruisecontrol+limiteur, KML + Ecran type C, 4 HP JBL + 2 tweeter JBL
1007 Sporty Pack HDi 1.6 110ch de Jan. 2008, option JBL
1007 Sporty HDi 1.6 110ch de Feb. 2009. Ajouté: cruise control + limiteur, option JBL
Le monde du partage devra remplacer le partage du monde
Revenir en haut de page
Voir le profil de l'utilisateur Envoyer un message privé
vale59
307 de Bronze

1.6HDi 110ch


Inscrit le: 14 Nov 2009
Messages : 254

MessagePosté le: Dim 08 Avr 12 à 17:14    Sujet du message: Boitier radars. Répondre en citant

Bonjour si cela interesse du monde j ai plusieurs boitiers radars avt/arr a vendre.

Revenir en haut de page
Voir le profil de l'utilisateur Envoyer un message privé
yvesdm3000
307 d'Argent



Voir sa Présentation

Inscrit le: 15 Mai 2011
Messages : 374
Localisation : Belgique (00)

MessagePosté le: Dim 08 Avr 12 à 20:05    Sujet du message: Répondre en citant

T'as les connecteurs avec aussi ?

-Yves

_________________
307 OXYGO HDi 1.6 break 92ch de Nov. 2006 converti en camionette. Ajouté cruisecontrol+limiteur, KML + Ecran type C, 4 HP JBL + 2 tweeter JBL
1007 Sporty Pack HDi 1.6 110ch de Jan. 2008, option JBL
1007 Sporty HDi 1.6 110ch de Feb. 2009. Ajouté: cruise control + limiteur, option JBL
Le monde du partage devra remplacer le partage du monde
Revenir en haut de page
Voir le profil de l'utilisateur Envoyer un message privé
nacral
307 de Diamant

1.4e 75ch


Inscrit le: 10 Juin 2010
Messages : 3986
Localisation : 78 et 83

MessagePosté le: Dim 08 Avr 12 à 20:08    Sujet du message: Répondre en citant

Ce sont les boitier présent sur les C4?
Revenir en haut de page
Voir le profil de l'utilisateur Envoyer un message privé
SelfEsteem
307 de Diamant



Voir sa Présentation
Voir son Album
Voir toutes ses Images


Inscrit le: 05 Nov 2009
Messages : 4956
Localisation : Moselle -> Metz

MessagePosté le: Dim 08 Avr 12 à 20:50    Sujet du message: Re: Boitier radars. Répondre en citant

vale59 a écrit :
Bonjour si cela interesse du monde j ai plusieurs boitiers radars avt/arr a vendre.


Suivant le tarif, ca peut m’intéresser potentiellement... Super content :D
Pour le faisceau, moi si je réalise cette modif', j'achete celui de C4 et je fais moi meme celui qui va jusqu'au boitier. Cool

_________________
307 Féline 2.0i 16V 180ch, 3 portes, Gris Manitoba, filtre à air Green dans admission dynamique, RT5 by me, HPs avant JBL d'origine 607, HPs arrière Focal Acces 2 voix, Clés 3 boutons.
Revenir en haut de page
Voir le profil de l'utilisateur Envoyer un message privé
nacral
307 de Diamant

1.4e 75ch


Inscrit le: 10 Juin 2010
Messages : 3986
Localisation : 78 et 83

MessagePosté le: Dim 08 Avr 12 à 21:02    Sujet du message: Re: Boitier radars. Répondre en citant

SelfEsteem a écrit :
vale59 a écrit :
Bonjour si cela interesse du monde j ai plusieurs boitiers radars avt/arr a vendre.


Suivant le tarif, ca peut m’intéresser potentiellement... Super content :D
Pour le faisceau, moi si je réalise cette modif', j'achete celui de C4 et je fais moi meme celui qui va jusqu'au boitier. Cool


Et moi me calmer un peu et attendre que tu es fait la modif alors. ^^
Revenir en haut de page
Voir le profil de l'utilisateur Envoyer un message privé
vale59
307 de Bronze

1.6HDi 110ch


Inscrit le: 14 Nov 2009
Messages : 254

MessagePosté le: Dim 08 Avr 12 à 22:06    Sujet du message: Répondre en citant

oui boitier pour C4/308 par contre j ai que les boitiers prix 90e pieces.
Revenir en haut de page
Voir le profil de l'utilisateur Envoyer un message privé
SPITIRE13
307 Hors Catégorie




Inscrit le: 16 Aoû 2006
Messages : 1891
Localisation : PACA

MessagePosté le: Lun 09 Avr 12 à 08:49    Sujet du message: Répondre en citant

Salut
je viens de récupérer ma titine
ils m’ont montés un pare choc avec "trous".
les 4 pièces qui entourent les capteurs valent 120€ .
mais j'ai un autre soucis , mais radars font un angle de 90°

et ils me faut des radars droits
edit
mes radars sont pour des 308 donc je vais pouvoir m'en servir pour l'avant mais pour l'AR cela ne passe pas
cdt

_________________
307 SW OXYGO HDI 110 . RT5 BY ME .
308 PURTECH 1.2 130ch BTM6 GTLINE BLACKPACK
Revenir en haut de page
Voir le profil de l'utilisateur Envoyer un message privé Envoyer un e-mail
SelfEsteem
307 de Diamant



Voir sa Présentation
Voir son Album
Voir toutes ses Images


Inscrit le: 05 Nov 2009
Messages : 4956
Localisation : Moselle -> Metz

MessagePosté le: Lun 09 Avr 12 à 10:14    Sujet du message: Re: Boitier radars. Répondre en citant

nacral a écrit :
Et moi me calmer un peu et attendre que tu es fait la modif alors. ^^

Laughing
Moi je vais voir (ou attendre que SPITIRE13 fasse la modif') pour être sur que ne brancher que 4 capteurs ne pose pas de problème.
Je n'ai pas envie de percer mon par-choc donc je préfère intégrer 4 capteurs dans la calandre.
SPITIRE, pour les détecteurs, ce sont les même sur C4 apparemment, pourquoi il te faut des droit?

_________________
307 Féline 2.0i 16V 180ch, 3 portes, Gris Manitoba, filtre à air Green dans admission dynamique, RT5 by me, HPs avant JBL d'origine 607, HPs arrière Focal Acces 2 voix, Clés 3 boutons.
Revenir en haut de page
Voir le profil de l'utilisateur Envoyer un message privé
Montrer les messages depuis:   
Poster un nouveau sujet   Répondre au sujet    » Accueil du Forum Electricité, Electronique & Eclairage Toutes les heures sont au format GMT + 1 Heure
Aller à la page 1, 2, 3, 4  Suivante
Page 1 sur 4


 

Sauter vers:  
Vous ne pouvez pas poster de nouveaux sujets dans ce forum
Vous ne pouvez pas répondre aux sujets dans ce forum
Vous ne pouvez pas éditer vos messages dans ce forum
Vous ne pouvez pas supprimer vos messages dans ce forum
Vous ne pouvez pas voter dans les sondages de ce forum




[ L'équipe du forum ]
Sources phpbb modifiées par Forum307.com, © 2008 - Marque Peugeot et logo Peugeot déposé par Automobiles Peugeot.
Plan, carte, itinéraire, Recherche-Colocation.com, Colocation Paris, Peugeot 308,  
mentions légales