Peugeot 307 - Voir le sujet - [Dossier] Dépose-Repose vanne EGR [DV6TED4] - Forum Peugeot 307 - 307CC - 307SW
Colocation
 
Consommation 307    Couleurs 307    Prix et Ref. des pièces    Les Jantes    Glossaire    Liens utiles
  F307 : Le Forum de référence de la Peugeot 307

Ajouter aux Favoris
   Flux RSS
Forum Peugeot 307 - 307CC - 307SW
Tout sur les très belles Peugeot 307, 307CC & 307SW
 
  Aide  Rechercher  Charte  Albums  Fichiers  Groupes  Chat S'enregistrer   
  Mes sujets favoris    Profil    Se connecter pour vérifier ses messages privés    Connexion 

[Dossier] Dépose-Repose vanne EGR [DV6TED4]

 
Poster un nouveau sujet   Répondre au sujet    » Accueil du Forum Dossiers & Tutoriaux
Voir le sujet précédent :: Voir le sujet suivant  
Auteur Message
leyo
307 de Diamant




Inscrit le: 04 Juil 2006
Messages : 3929

MessagePosté le: Mer 10 Jan 07 à 03:22    Sujet du message: [Dossier] Dépose-Repose vanne EGR [DV6TED4] Répondre en citant

p.1



p.2



p.3


_________________
Aurevoir ..... Clin d'oeil ;)
Revenir en haut de page
Voir le profil de l'utilisateur Envoyer un message privé

Créez un compte pour participer au forum.
ericrobain
307 d'Élite

1.6HDi 110ch

Voir son Album
Voir toutes ses Images


Inscrit le: 28 Jan 2009
Messages : 1082

MessagePosté le: Dim 19 Jan 14 à 15:39    Sujet du message: Répondre en citant

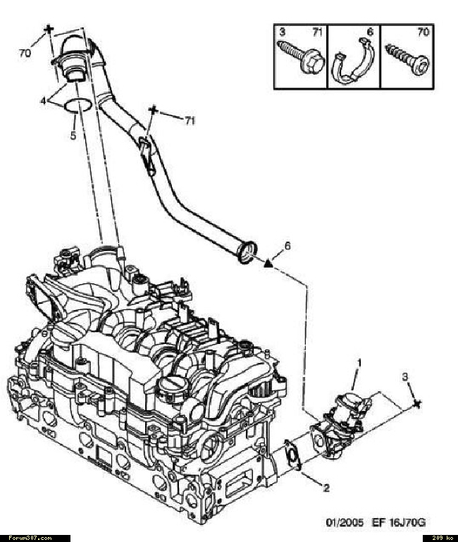
Pourquoi faut-il déposer les colliers 7 de l'échangeur ? il faut un outil spécial pour ce genre de collier et puis il faut ouvrir le circuit de liquide de refroidissement (bien que ce ne soit pas mentionné mais sinon quel intérêt d'enlever les colliers ?)... Ne peut-on enlever la vanne EGR uniquement en enlevant les 2 vis 8 et le collier la fixant à l'échangeur Question
ou alors il y a une erreur de numérotation des colliers dans la méthode, d'ailleurs il est question d'un seul collier et non de 2.

Quelqu'un l'a-t-il déjà fait sur 1,6 HDI pour confirmer Question
Revenir en haut de page
Voir le profil de l'utilisateur Envoyer un message privé
zamaz
307 de Diamant




Inscrit le: 30 Avr 2009
Messages : 17020
Localisation : France

MessagePosté le: Dim 19 Jan 14 à 15:49    Sujet du message: Répondre en citant

salut

je pense qu'il faut juste démonter le collier 7

http://www.forum308.com/download/file.php?id=19128

_________________
Si la personne ne donne pas de suite à mes réponses !je considère que le sujet est clos !Pas de respect donc plus de réponse!
A bon entendeur !
Revenir en haut de page
Voir le profil de l'utilisateur Envoyer un message privé
ericrobain
307 d'Élite

1.6HDi 110ch

Voir son Album
Voir toutes ses Images


Inscrit le: 28 Jan 2009
Messages : 1082

MessagePosté le: Dim 19 Jan 14 à 16:32    Sujet du message: Répondre en citant

zamaz a écrit :
salut

je pense qu'il faut juste démonter le collier 7

http://www.forum308.com/download/file.php?id=19128

Oui c'est bien ce que je pense aussi, il y a une erreur dans la méthode Peugeot... par contre il faut apparemment un outil spécial pour serrer ou desserrer ce collier 7 non ?
Revenir en haut de page
Voir le profil de l'utilisateur Envoyer un message privé
zamaz
307 de Diamant




Inscrit le: 30 Avr 2009
Messages : 17020
Localisation : France

MessagePosté le: Dim 19 Jan 14 à 16:47    Sujet du message: Répondre en citant

ericrobain a écrit :
zamaz a écrit :
salut

je pense qu'il faut juste démonter le collier 7

http://www.forum308.com/download/file.php?id=19128

Oui c'est bien ce que je pense aussi, il y a une erreur dans la méthode Peugeot... par contre il faut apparemment un outil spécial pour serrer ou desserrer ce collier 7 non ?


on doit pouvoir se passer de l'outil mais un peu galère pour le remettre ,moi j'ai investi dans un kit de pinces spéciales colliers:
http://www.amazon.fr/Kit-pinces-collier-tournevis-pi%C3%A8ces/dp/B00AELNB3I

si tu bricoles sur tes caisses c'est un bon investissement Wink

_________________
Si la personne ne donne pas de suite à mes réponses !je considère que le sujet est clos !Pas de respect donc plus de réponse!
A bon entendeur !
Revenir en haut de page
Voir le profil de l'utilisateur Envoyer un message privé
ericrobain
307 d'Élite

1.6HDi 110ch

Voir son Album
Voir toutes ses Images


Inscrit le: 28 Jan 2009
Messages : 1082

MessagePosté le: Dim 19 Jan 14 à 16:56    Sujet du message: Répondre en citant

Ha ouais pas mal la boite de pinces... par contre apparemment Peugeot vend un collier à vis en remplacement (beaucoup mieux mais pas donné ref. 1628 3J à 15,23 euros sur Service Boule Shocked).
http://www.forum-auto.com/pole-technique/mecanique-electronique/sujet579451.htm
Revenir en haut de page
Voir le profil de l'utilisateur Envoyer un message privé
zamaz
307 de Diamant




Inscrit le: 30 Avr 2009
Messages : 17020
Localisation : France

MessagePosté le: Dim 19 Jan 14 à 16:57    Sujet du message: Répondre en citant

ericrobain a écrit :
Ha ouais pas mal la boite de pinces... par contre apparemment Peugeot vend un collier à vis en remplacement (beaucoup mieux mais pas donné ref. 1628 3J à 15,23 euros sur Service Boule).
http://www.forum-auto.com/pole-technique/mecanique-electronique/sujet579451.htm


donc vaut mieux acheter le collier que les pinces spéciales Wink

_________________
Si la personne ne donne pas de suite à mes réponses !je considère que le sujet est clos !Pas de respect donc plus de réponse!
A bon entendeur !
Revenir en haut de page
Voir le profil de l'utilisateur Envoyer un message privé
ericrobain
307 d'Élite

1.6HDi 110ch

Voir son Album
Voir toutes ses Images


Inscrit le: 28 Jan 2009
Messages : 1082

MessagePosté le: Dim 19 Jan 14 à 17:09    Sujet du message: Répondre en citant

Oui vaut mieux le collier à vis... mais pour l'instant je n'ai pas de soucis avec mon EGR d'origine, je me renseigne en préventif... et puis ça renseigne le tuto (comme quoi il peut y avoir des erreurs sur les tuto Peugeot).

... et d'ailleurs je pense que je n'ai pas d'échangeur EGR air/eau sur ma 1,6 HDI 110 sans FAP DV6TED4, car voici ce que m'envoie SB avec mon VIN :


Edité par ericrobain le Dim 19 Jan 14 à 17:13
Revenir en haut de page
Voir le profil de l'utilisateur Envoyer un message privé
zamaz
307 de Diamant




Inscrit le: 30 Avr 2009
Messages : 17020
Localisation : France

MessagePosté le: Dim 19 Jan 14 à 17:13    Sujet du message: Répondre en citant

pseudo marco26 avait changé cette vanne sur 207 !
je recherche son mp:
http://www.forum307.com/privmsg.php?mode=post&u=14130

_________________
Si la personne ne donne pas de suite à mes réponses !je considère que le sujet est clos !Pas de respect donc plus de réponse!
A bon entendeur !
Revenir en haut de page
Voir le profil de l'utilisateur Envoyer un message privé
Montrer les messages depuis:   
Poster un nouveau sujet   Répondre au sujet    » Accueil du Forum Dossiers & Tutoriaux Toutes les heures sont au format GMT + 1 Heure
Page 1 sur 1


 

Sauter vers:  
Vous ne pouvez pas poster de nouveaux sujets dans ce forum
Vous ne pouvez pas répondre aux sujets dans ce forum
Vous ne pouvez pas éditer vos messages dans ce forum
Vous ne pouvez pas supprimer vos messages dans ce forum
Vous ne pouvez pas voter dans les sondages de ce forum




[ L'équipe du forum ]
Sources phpbb modifiées par Forum307.com, © 2008 - Marque Peugeot et logo Peugeot déposé par Automobiles Peugeot.
Plan, carte, itinéraire, Recherche-Colocation.com, Colocation Paris, Peugeot 308,  
mentions légales