| Voir le sujet précédent :: Voir le sujet suivant |
| Auteur |
Message |
top gun 307 Addicted
2.0HDi 110ch
Voir sa Présentation
Inscrit le: 13 Oct 2009 Messages : 28 Localisation : Pérignat-les-sarliève (63)
|
Posté le: Lun 09 Nov 09 à 13:42 Sujet du message: capteur de niveau d'huile ? |
|
|
Bonjour,
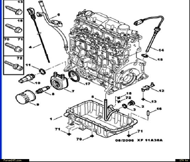
J'ai fait faire ma vidange il y a 1 semaine, et ce matin le niveau d'huile sur mon tableau de bord clignote, c'est la première fois ! je pense au capteur, ais-je raison ?
Si c'est cela, ou est-il situé ? facile d'accès ? quel est son prix et sa référence Peugeot pour que je le commande.
Cette opération peut ce faire soi même ou c'est garage obligatoire ?
J'ai quand même contrôlé le niveau, il est OK, j'ai jamais eu se problème avant sur mes autres Peugeot.
Merci
|
|
|
|
|
| Revenir en haut de page |
|
 |
Créez un compte pour participer au forum.
|
linker78 307 d'Argent
Inscrit le: 13 Sep 2007 Messages : 432 Localisation : 78 Yvelines et 23 Creuse
|
|
| Revenir en haut de page |
|
 |
top gun 307 Addicted
2.0HDi 110ch
Voir sa Présentation
Inscrit le: 13 Oct 2009 Messages : 28 Localisation : Pérignat-les-sarliève (63)
|
Posté le: Lun 09 Nov 09 à 14:13 Sujet du message: |
|
|
Impeccable, ça de l'efficacité !!!!!
je vais allez voir Peugeot pour en parler avec eu.
Je pense que c'est faisable, merci
|
|
|
|
|
| Revenir en haut de page |
|
 |
top gun 307 Addicted
2.0HDi 110ch
Voir sa Présentation
Inscrit le: 13 Oct 2009 Messages : 28 Localisation : Pérignat-les-sarliève (63)
|
Posté le: Lun 09 Nov 09 à 14:49 Sujet du message: |
|
|
|
J'ai été commander la pièce, le type ma dit que c'était faisable, il faut passer par dessous et prendre son temps ....
|
|
|
|
|
| Revenir en haut de page |
|
 |
linker78 307 d'Argent
Inscrit le: 13 Sep 2007 Messages : 432 Localisation : 78 Yvelines et 23 Creuse
|
|
| Revenir en haut de page |
|
 |
Kal34 307 d'Argent
2.0HDi 90ch
Voir sa Présentation
Inscrit le: 09 Oct 2006 Messages : 326 Localisation : Sudiste
|
Posté le: Mar 10 Nov 09 à 00:55 Sujet du message: |
|
|
attention c'est pas forcément ton capteur, je ferais un diag à ta place.
J'ai eu un probleme de capteur d'huile HS, c'était mon boitier BSI qui déliré.
les capteur d'huile sur 307 sont fantomatique la plupart du temps.
|
|
|
_________________ 307 2.0L HDI 2001 XR Présence restylé XS (vendu)
Maintenant en
AUDI A4 AVANT 1.9L TDI 130ch PACK BV6
|
|
| Revenir en haut de page |
|
 |
linker78 307 d'Argent
Inscrit le: 13 Sep 2007 Messages : 432 Localisation : 78 Yvelines et 23 Creuse
|
Posté le: Mer 11 Nov 09 à 22:32 Sujet du message: |
|
|
| Citation: | attention c'est pas forcément ton capteur, je ferais un diag à ta place.
J'ai eu un probleme de capteur d'huile HS, c'était mon boitier BSI qui déliré.
les capteur d'huile sur 307 sont fantomatique la plupart du temps. |
Je suis d'accord avec toi , sur mon ancienne il délirait de temps en temps.
|
|
|
_________________ 307 xt premium ,en 2l hdi 90 puis 1l6 hdi 110 executive pack et maintenant en 308.
|
|
| Revenir en haut de page |
|
 |
KTR Curieux
Inscrit le: 28 Juin 2019 Messages : 13
|
Posté le: Sam 13 Juil 19 à 09:07 Sujet du message: |
|
|
Bonjour,
Je voudrais de l’aide pour changer ce capteur mais il y a pas de place ..
|
|
|
|
|
| Revenir en haut de page |
|
 |
|