Peugeot 307 - Voir le sujet - Changement capteur présence bouchon réservoir carburant - Forum Peugeot 307 - 307CC - 307SW
Colocation
 
Consommation 307    Couleurs 307    Prix et Ref. des pièces    Les Jantes    Glossaire    Liens utiles
  F307 : Le Forum de référence de la Peugeot 307

Ajouter aux Favoris
   Flux RSS
Forum Peugeot 307 - 307CC - 307SW
Tout sur les très belles Peugeot 307, 307CC & 307SW
 
  Aide  Rechercher  Charte  Albums  Fichiers  Groupes  Chat S'enregistrer   
  Mes sujets favoris    Profil    Se connecter pour vérifier ses messages privés    Connexion 

Changement capteur présence bouchon réservoir carburant

 
Poster un nouveau sujet   Répondre au sujet    » Accueil du Forum Electricité, Electronique & Eclairage
Voir le sujet précédent :: Voir le sujet suivant  
Auteur Message
307xt premium
307 Addicted




Inscrit le: 27 Juin 2009
Messages : 63
Localisation : Bellignat

MessagePosté le: Sam 27 Juin 09 à 17:41    Sujet du message: Changement capteur présence bouchon réservoir carburant Répondre en citant

Bonjour comme son nom l'indique je suis à la recherche d'une personne qui sache comment changé ce capteur (Réf: 1503.T2) car chez Peugeot il en demande au moins 200€
Revenir en haut de page
Voir le profil de l'utilisateur Envoyer un message privé MSN Messenger

Créez un compte pour participer au forum.
307xt premium
307 Addicted




Inscrit le: 27 Juin 2009
Messages : 63
Localisation : Bellignat

MessagePosté le: Mar 30 Juin 09 à 21:33    Sujet du message: Répondre en citant

UP
Revenir en haut de page
Voir le profil de l'utilisateur Envoyer un message privé MSN Messenger
307xt premium
307 Addicted




Inscrit le: 27 Juin 2009
Messages : 63
Localisation : Bellignat

MessagePosté le: Sam 11 Juil 09 à 11:52    Sujet du message: Répondre en citant

Up personne ne sait s'il vous plait ?
Revenir en haut de page
Voir le profil de l'utilisateur Envoyer un message privé MSN Messenger
307xt premium
307 Addicted




Inscrit le: 27 Juin 2009
Messages : 63
Localisation : Bellignat

MessagePosté le: Jeu 16 Juil 09 à 22:24    Sujet du message: Répondre en citant

Up up Yeahhhh
Revenir en haut de page
Voir le profil de l'utilisateur Envoyer un message privé MSN Messenger
alasan
307 de Diamant



Voir sa Présentation
Voir son Album
Voir toutes ses Images


Inscrit le: 09 Avr 2006
Messages : 2567
Localisation : Presqu'île de Giens - Hyères (Var)

MessagePosté le: Ven 17 Juil 09 à 10:48    Sujet du message: Répondre en citant

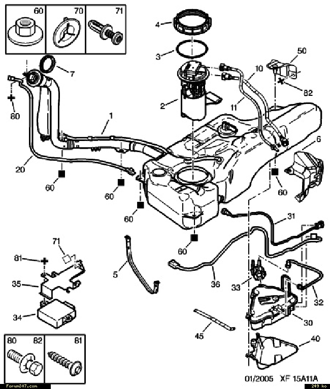
c'est la première fois que j'enttends parler de ce genre de capteur Embarassé..
je ne savais pas que ça existait .....



c'est le repère 20 sur le dessin
il longe toute la tubulure de remplissage
moi je commencerais par dégarnir l'intérieur de l'aile pour y voir un peu plus clair Rolling Eyes

_________________
Passer pour un idiot aux yeux d'un imbécile est une volupté de fin gourmet !... (Courteline)
Revenir en haut de page
Voir le profil de l'utilisateur Envoyer un message privé Envoyer un e-mail
maki
307 Hors Catégorie

2.0HDi 136ch

Voir sa Présentation
Voir son Album
Voir toutes ses Images


Inscrit le: 28 Déc 2009
Messages : 1755
Localisation : saint sauveur OISE

MessagePosté le: Ven 02 Juil 10 à 15:05    Sujet du message: Répondre en citant

détérage.... as tu réussit a le changer ce capteur 307xtpremium ?

MAKi.

_________________
The end in nigh...
Revenir en haut de page
Voir le profil de l'utilisateur Envoyer un message privé Visiter le site web de l'utilisateur
Montrer les messages depuis:   
Poster un nouveau sujet   Répondre au sujet    » Accueil du Forum Electricité, Electronique & Eclairage Toutes les heures sont au format GMT + 1 Heure
Page 1 sur 1


 

Sauter vers:  
Vous ne pouvez pas poster de nouveaux sujets dans ce forum
Vous ne pouvez pas répondre aux sujets dans ce forum
Vous ne pouvez pas éditer vos messages dans ce forum
Vous ne pouvez pas supprimer vos messages dans ce forum
Vous ne pouvez pas voter dans les sondages de ce forum




[ L'équipe du forum ]
Sources phpbb modifiées par Forum307.com, © 2008 - Marque Peugeot et logo Peugeot déposé par Automobiles Peugeot.
Plan, carte, itinéraire, Recherche-Colocation.com, Colocation Paris, Peugeot 308,  
mentions légales